Kategóriák
- Újdonságok
- Akciók
- AJTÓPÁNT - ZSANÉR [51]
- AUBI ZÁR, ALKATRÉSZEK [45]
- AJTÓZÁR - ALKATRÉSZEK [23]
- EZERMESTER [51]
- FAPIM ZÁR, ALKATRÉSZEK [35]
- GEZE ALKATRÉSZEK [14]
- GIESSE ALKATRÉSZEK [12]
- G-U ZÁR, ALKATRÉSZEK [125]
- GUMI TÖMÍTÉSEK [7]
- HAUTAU + FÜHR ZÁR [21]
- HUZATZÁR - CSAPPANTYÚ [148]
- KIFUTÓ TERMÉKEK [35]
- LAKAT - LAKATPÁNT [12]
- MACO ZÁR, ALKATRÉSZEK [148]
- ROTO ZÁR, ALKATRÉSZEK [417]
- REDŐNY ALKATRÉSZEK [57]
- SCHÜCO ZÁR, ALKATRÉSZEK [89]
- SIEGENIA ZÁR, ALKATRÉSZEK [148]
- TOLÓ - BUKÓ ALKATRÉSZEK [34]
- ZÁR JAVÍTÓ FOGASKERÉKHÁZ [36]
- WINKHAUS ZÁR, ALKATRÉSZEK [42]
Partnereink
TOP termékek
Termékajánló
Látogató számláló
0
2
9
7
8
8
4
Termék részletek
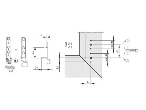
SIEGENIA - sarokcsapágy
SIEGENIA alsó sarokcsapágy, befúrható
-
SIEGENIA FAVORIT alsó sarokcsapágy, fa, műanyag vagy alumínium homlokzati
nyílászárókhoz. A termék kiegészítője a D6 vagy D7 vastagságú stift amellyel
oldalirányba állítható a szerkezet. (nem tartozék - kép illusztráció)
-
Raktárkészlet VANCikkszám SI_280607Weboldal Tömeg 100 g/db


















